Сосуды лабораторные стеклянные

Лабораторный сосуд


Лабораторный сосуд изготавливается из стекла Симакс ЧСН ИСО 3585. эскиз 5-356ШифрD ммD1 ммН ммh мм31..

Сосуд 500 мл для определения количества цинка на проволоке


ШифрВместимость млD ммD1 ммd ммН ммПримечание2173500702412175К пр-ру д/опр.кол-ва цинка на проволоке..

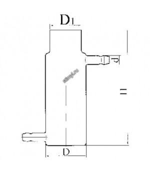
Сосуд газовый, эскиз 5-344


Шифр - 3101..

Сосуд Дина-Старка


эскиз 2-517ШифрШлиф КШ по ГОСТ 8682-93D ммН ммh ммПримечаниекернамуфты244319/2619/2636280100Дина-Ста..

Сосуд для конденсационного влагомера


эскиз 2-105ШифрD ммD1 ммd ммН ммПримечание1814705415200для конденсационного влагомера..

Сосуд для определения летучих кислот ГФ 5.887.391


Шифр D мм d мм Н мм Примечание 2067 28 9 240 ..

Сосуд для определения температуры замерзания нефтепродуктов


Сосуд для определения температуры замерзания нефтепродуктов изготавливается из стекла Симакс ЧСН ИСО..

Сосуд для определения температуры замерзания нефтепродуктов ГФ 5.887.353


Сосуд для определения температуры замерзания нефтепродуктов ГФ 5.887.353 ШифрШлиф КШ по ГОСТ 8682-93..

Сосуд для улавливания азота (эскиз 5-329)


ШифрD ммD1 ммd ммН ммh ммПримечание3005705040200120для улавливания азота..

Сосуд Дьюара


Сосуд Дьюара (без серебрения) изготавливается из стекла Симакс ЧСН ИСО 3585. ШифрНомин. вместим.,млD..

Сосуд Мугдана


Сосуд Мугдана применяется для определения малых количеств кислорода в инертных газах. ШифрНомин. вме..

Сосуд с рубашкой


Сосуд с рубашкой ГФ 5.887.403. ШифрD ммD1 ммd ммН мм200244227170..

Сосуд с рубашкой с пробкой ГФ 6.451.413


Сосуд с рубашкой с пробкой ШифрШлиф КШ по ГОСТ 8682-93D ммD1 ммd ммН мм242329/2242326182..

Сосуд с рубашкой с пробкой, эскиз 2-483 sim


Сосуд с рубашкой с пробкой, эскиз 2-483 sim ШифрШлиф КШ по ГОСТ 8682-93D ммD1 ммd ммН мм118029/22423..

Сосуд-отстойник


эскиз 5-345ШифрD ммd ммd1 ммН ммПримечание31021002012190Сосуд-отстойник..

Сосуды лабораторные стеклянные

При проведении аналитических работ применяются стеклянные лабораторные сосуды различных форм и размеров. Они относятся к посуде общелабораторного применения, выполнены из химически и термически стойкого стекла марки ХС и ТС и могут иметь самую разную форму, например:

  • цилиндрические (маркировка СЦ);
  • прямоугольные (СП);
  • ванны прямоугольные (ВП);
  • кюветы цилиндрические (КЦ);
  • кюветы прямоугольные (КП).

По виду проводимых анализов и строению подразделяются на:

  • газовые;
  • для определения летучих кислот;
  • сосуд Дина-Старка;
  • для определения противокоррозионных свойств покрытий;
  • для определения температуры замерзания (например, нефтепродуктов);
  • для улавливания азота;
  • сосуды с рубашкой;
  • сосуды-отстойники
  • и т.д.

Все они имеют различное назначение и соответствующую конструкцию. Например, сосуд Дина-Старка используется в одноименном аппарате, предназначенном для проведения анализов по определению количества воды и органических эмульсий, содержащихся в нефти и нефтепродуктах.

Сосуд для определения температуры замерзания используется в анализе нефтепродуктов для определения температур текучести и застывания, заполняя его охлаждающей и помещая в него исследуемый образец.

Сосуд для улавливания азота может применяться при определения азота в углеродистых, легированных и высоколегированных сталях. В нем азот улавливается в виде аммиака, после чего, измеряя оптическую плотность раствора, подсчитывается его массовая доля в пробе стали.

Таким образом, стеклянные лабораторные сосуды различного назначения широко применяются в научно-исследовательских, учебных и производственных лабораториях.

Все сосуды, представленные на нашем сайте, соответствуют ГОСТ 25336-82.